[5+] Wechselschaltung Mit Verteilerdose, Stromlaufplan In Zusammenhängender Darstellung Kreuzschaltung Mit
Schaltplan Wechselschaltung Mit Verteilerdose Sicherungskasten Instrumenten Stecker
If you are {looking for|searching about} Schaltplan Wechselschaltung Mit Beleuchtung - Wiring Diagram you've {came|visit} to the right {place|web|page}. We have 16 {Pics|Pictures|Images} about Schaltplan Wechselschaltung Mit Beleuchtung - Wiring Diagram like Schaltplan für Wechselschaltung: Schaltbild, Schaltplan Wechselschaltung Mit Beleuchtung - Wiring Diagram and also Pendonx Blog. {Read more|Here you go|Here it is}:
Wechselschaltung funktioniert plotzlich nicht mehr

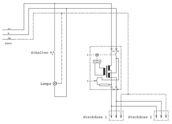
Schaltplan wechselschaltung lichtschalter wechselschalter schalter kreuzschaltung verkabeln anschließen elektroinstallation campofant einen kreuzschalter polig dreifach berechnen steckdosen merten ebenerdige dusche. Wechselschaltung schaltplan elektroinstallation lampe bewegungsmelder lageplan elektrischen schalter verdrahten kabelverdrahtungsschema. Wechselschaltung mit 2 schaltern und 1 lampe und 2 steckdosen. Wechselschaltung funktioniert plotzlich nicht mehr








Komentar
Posting Komentar